Certification: Others
Modulation: LoRa
Interface: TTL
Output Power: 1W
Frequency: 410~490MHz
Network: Others
Size (mm):39.3*24
SA618F22-C1 is an upgraded full-duplex wireless digital and audio all-in-one transmission module from our company, featuring shorter latency and supporting high-quality calls for up to 8 users simultaneously. Users can wirelessly transmit data via the serial port and transmit voice signals Microphone,Line in or I2S. The module is equipped with a high-speed microcontroller, echo cancellation circuitry, ESD protection, a high-performance RF chip, and an amplifier, utilizing wideband spread spectrum technology, resulting in low power consumption, long-range capabilities, and flexible frequency adjustment.
SA618F22-C1 supports multi-channel concurrent reception and relay in a Mesh network.
SA618F22-C1 enables full-duplex communication via the serial port and features wireless data transmission with Mesh networking capabilities. It supports over-the-air (OTA) upgrades or serial port upgrades, allowing users to easily set internal parameters and control its transmission functions through the serial port.
SA618F22-C1 is equipped with hardware and software watchdogs to prevent system crashes and includes reverse polarity protection, overcurrent, and overvoltage protection circuits, ensuring the device operates safely and stably in various environments.
SA618F22-C1 is manufactured and tested using strict lead-free processes, complying with RoHS and REACH standards, and is certified by CE and FCC.
Parameters | Condition | Min. | Typ. | Max. | Unit |
Power Supply | 2.3 | 3.3 | 3.6 | V | |
Working temperature | -30 | 25 | 70 | ℃ | |
Current consumption | |||||
Sleep current | 12 | uA | |||
RX Current | @no voice output | 50 | mA | ||
TX current(High power) | @22dBm Average | 60 | mA | ||
RF Parameters | |||||
Operating frequency | UHF | 420 | 510 | MHz | |
Customizable frequency | 150 | 960 | MHz | ||
Default shipping frequency | UHF ( 1MHz interval) | 440.125 | 455.125 | MHz | |
Transmit power | Default | 0 | 22 | dBm | |
Second Harmonic | -40 | dBm | |||
Bandwidth(BW) | 500 | KHz | |||
Receiving sensitivity | -117 | dBm | |||
Audio parameters | |||||
Modulation sensitivity | 10 | 100 | mV | ||
Receive signal-to-noise ratio(SNR) | 90 | dB | |||
Frequency response | 60 | 3800 | Hz | ||
Voice output(line out) | Load 16 Ω | 40 | mW | ||
Delay parameters | 8channels | 160 | 200 | 240 | ms |
Frequency Band UHF 420-510MHz(Customizable 150-960 MHz)
Up to 8 devices transmit simultaneously ( Receive unlimited)
Echo cancellation function
VOX function
High integration and compact size
Low power consumption in sleep mode
1-3KM transmission distance in the open area
Supports 2 to 8 people in high-quality simultaneous calls
Shorter call latency
I2S Digital audio+analog audio
Line In + Mic input
Full-duplex data transmission
Mesh network
Support OTA &Serial upgrade
High reception sensitivity: -117 dBm
Fire emergency communication
Metro,Tunnel communication
Riding intercom system
High-quality full duplex walkie talkie
Conference telephone syste
Building community security system
Security intercom system for special scenarios
Earphone walkie talkie
Special job assignment walkie talkie
Analog input & output application circuit(Built-in audio amplifier)

Analog input & output application circuit(External audio amplifier)

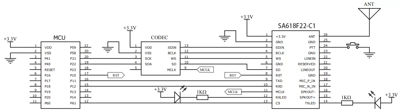
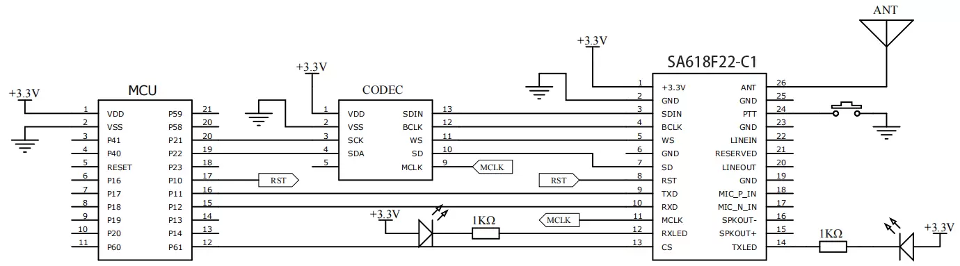
IIS input and output application circuit


Pin NO. | Pin name | I/O | Description |
1 | +3.3V | Connect to power positive(2.3-3.6V) | |
2,6,19,23,25 | GND | Connect to power negative | |
3 | SDIN | I | External I2S (0-3.3V) |
4 | BCLK | O | External I2S (0-3.3V) |
5 | WS | O | External I2S (0-3.3V) |
7 | SD | O | External I2S (0-3.3V) |
8 | RST | I | Module reset pin, pull low for more than 5 ms to reset the module |
9 | TXD | O | Module serial port transmit pin |
10 | RXD | I | Module serial port receive pin |
11 | MCLK | O | ExternalI2S (0-3.3V) |
12 | RXLED | O | Receiving indicator, connected with external led, turn on by low level output when data or voice received, (suggest 1K ohm resistor for current limitation) |
13 | CS | I | The module's sleep pin, high level for operation and low |
14 | TXLED | O | Transmitting indicator, connected with external led, turn on by low level output when data or voice is transmitting, (suggest 1K ohm resistor for current limitation) |
15 | SPKOUT+ | O | External connect 8Ω 2W speaker |
16 | SPKOUT- | O | External connect 8Ω 2W speaker |
17 | MIC_N_IN | I | Negative electrode of external microphone |
18 | MIC_P_IN | I | Positive electrode of external microphone |
20 | LINE_OUT | O | Connected with 16 Ω earphones |
21 | Reserved | Module test pin, user should leave it unconnected | |
22 | LINE_IN | I | Line in ,maximum 1VRMS |
24 | PTT | I | Press to talk, pull down to enter transmission mode, pull high or leave open to enter receive mode, pull-up internally, |
26 | ANT | Connected with 50ohm Antenna |

Privacy Policy
· Privacy Policy
There is currently no content available
Email:sales@nicerf.com
Tel:+86-755-23080616