Type: Wireless Audio
Certification: Others
Output Power: 1W
Size (mm):39.3*24.0
The SA618F30-FD is a highly integrated, cost-effective, high-power 8-channel full-duplex data transmission module. It features a built-in high-speed micro-controller, high-performance RF transceiver chip, and RF power amplifier. The module provides a standard serial port for communication, enabling easy and quick parameter settings and control of the transmit/receive functions. Users can achieve data transmission simply by connecting the module to the serial port. Its ultra-compact size allows for easy and fast integration into various handheld devices, enhancing the overall performance of terminal products, making this module widely applicable.
SA618F30-FD is an 8-way full-duplex wireless data communication module that can achieve up to 8 transmitters transmitting simultaneously without interfering with each other. It is designed for scenarios where multiple transmitters operate concurrently in complex environments, minimizing the likelihood of re-transmissions and significantly reducing interference and the chances of being interfered with. The combination of LoRa modulation with 1W output power, along with its low-power design for receiving and sleep modes, makes it ideal for long-distance wireless IoT applications.
Parameter | Test Conditions | Min | Typ | Max | Unit |
Operating voltage | 3.3 | 4.2 | 5.5 | V | |
working temperature | -30 | 25 | 70 | ℃ | |
Current consumption | |||||
Sleep current | 10 | 20 | uA | ||
Receive current | 50 | 55 | mA | ||
Transmit current (high power) | 4v,@30dBm | 450 | 500 | mA | |
RF parameter | |||||
Operating frequency | UHF | 410 | 490 | MHz | |
Customizable frequency | 150 | 960 | MHz | ||
Default shipping frequency | UHF(Interval 1MHz) | 440.125 | 455.125 | MHz | |
Transmit power | @5V | 16 | 32 | dBm | |
Bandwidth(BW) | 500 | KHz | |||
Receiving sensitivity | -117 | dBm | |||
Data transmission parameters | |||||
Maximum packet length | 20 | Byte | |||
Latency parameters | 8 channels | 50 | ms | ||
Frequency Band 410~480MHz (Customizable 150-960 MHz)
Up to 8 devices can transmit simultaneousl (no limit on reception)
8-way dynamic changes
Support OTA &Serial upgrade
3-4KM transmission distance in the open area
High reception sensitivity: -117 dBm
Highly integrated and compact size
AGV car
Tower crane system
Multi-channel full-duplex data transmission applications



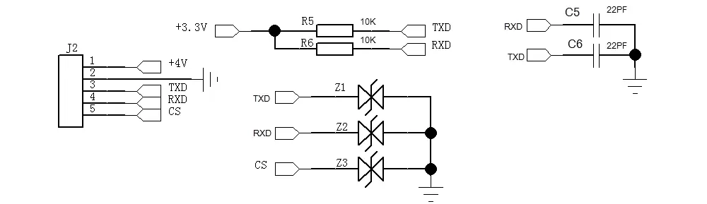
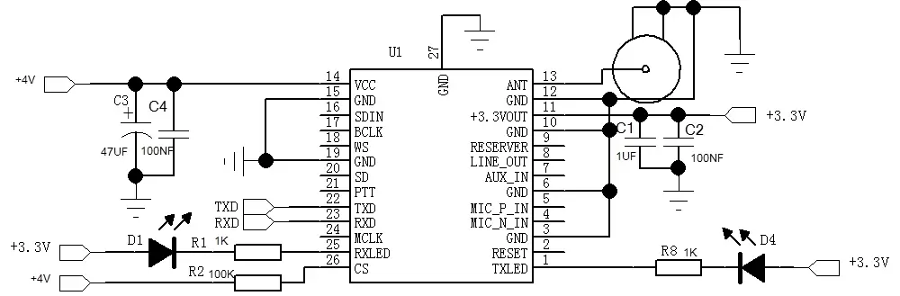
Pin NO. | Pin name | I/O | Description |
1 | TXLED | O | Transmitting indicator, connected with external led, turn on by low level output when data is transmitting, (suggest 1K ohm resistor for current limitation) |
2 | RESET | I | Module reset pin: Pulling it low for more than 5 ms will reset the module |
3,6,10,12,15,19 | GND | Connect to the power supply ground | |
4,5,7,8 | NC | ||
9 | RESERVED | Module test pin: Leave unconnected (floating) for users | |
11 | +3.3VOUT | 3.3V output, capable of driving an external load of up to 50mA | |
13 | ANT | RF signal output, connect to a 50-ohm antenna | |
14 | VCC | Connect to the positive power supply (external 3.3V to 5.5V) | |
16,17,18,20,21 | NC | ||
22 | TXD | O | Module serial port transmit pin (voltage 0-3.3V) |
23 | RXD | I | Module serial port receive pin (voltage 0-3.3V) |
24 | NC | ||
25 | RXLED | O | External receive indicator light: Lights up on low level, normal high level output (requires an external current-limiting resistor of approximately 1K ohms) |
26 | CS | I | Module sleep pin: High level for operation, low level for sleep.Internally pulled up, defaults to high level。 |

Privacy Policy
· Privacy Policy
There is currently no content available
Email:sales@nicerf.com
Tel:+86-755-23080616