Contact us
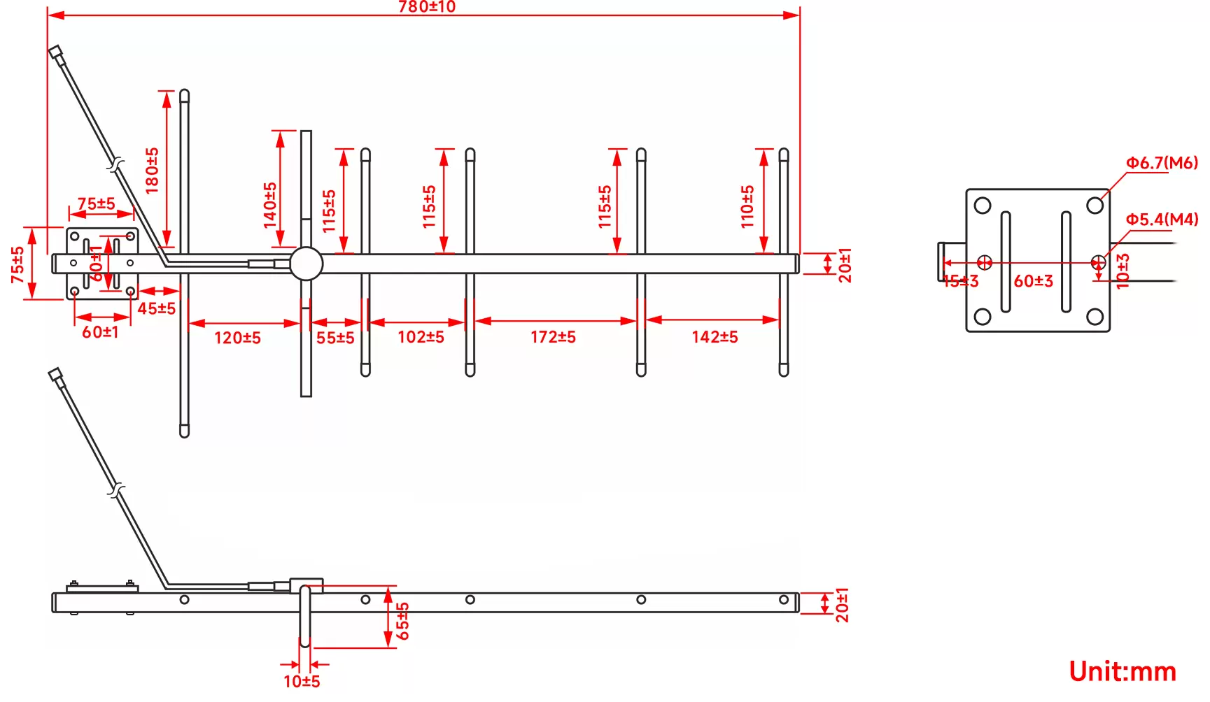
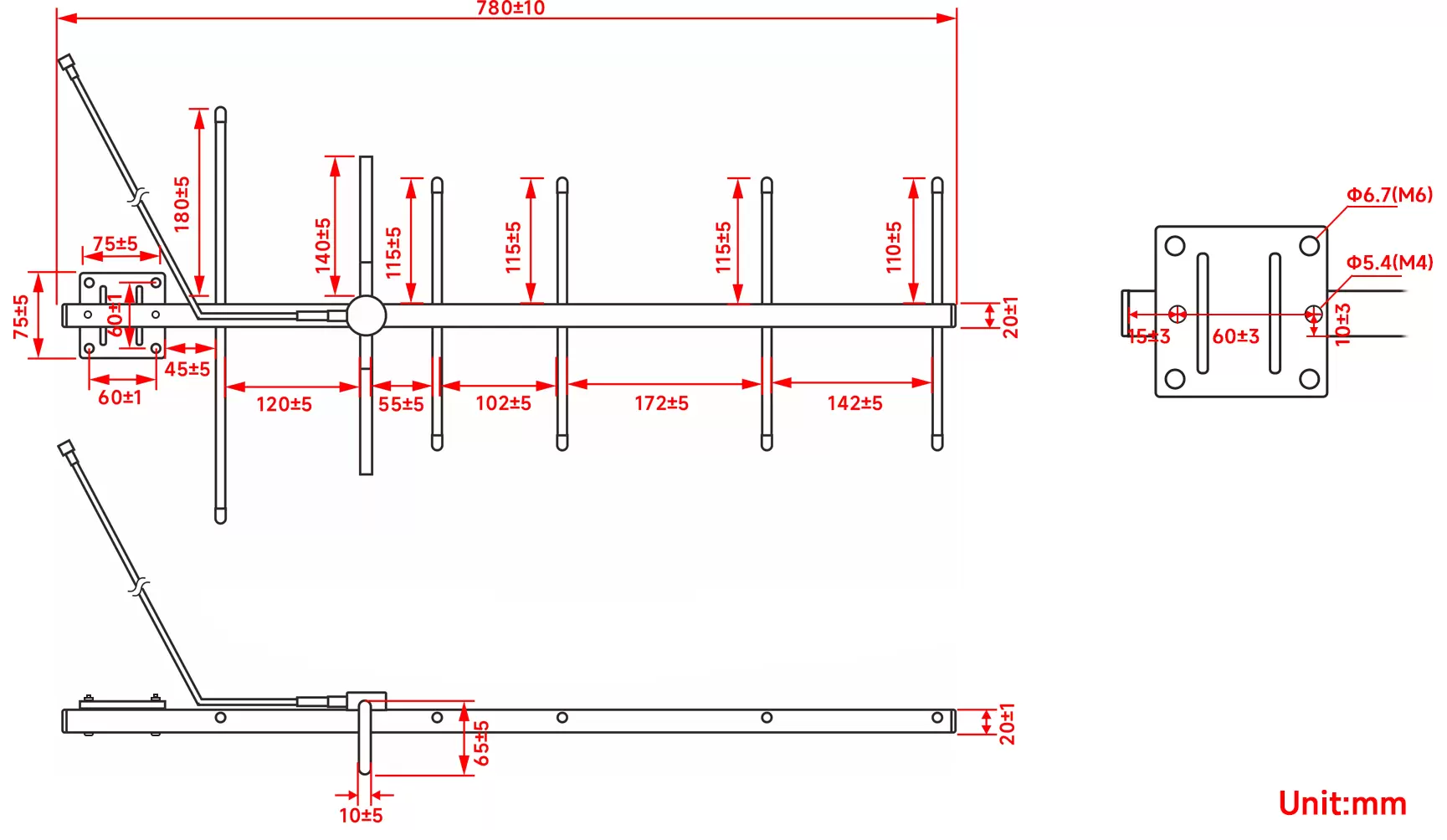
SW433-BM-02, a high gain directional Yagi antenna, designed specially for 433MHz outdoor wireless system. It has good VSWR, Compact dimensions, easy installation, stable performance, with good anti-vibration and anti-aging ability.
| Frequency | 433MHz |
| Type | Yagi |
| Gain | 11dBi |
| Size (mm) | > 150 |

Antennas have been tested under wireless simulated environment by Network Analyzer.

Privacy Policy
· Privacy Policy
There is currently no content available
Email:sales@nicerf.com
Tel:+86-755-23080616