LoRa2021F33-2G4 LR2021 Dual-Band 2W LoRaWAN Module (Sub-GHz + 2.4GHz) | G-NiceRF
HOMEPRODUCTSLORA & LORAWAN MODULES (SPI ) LORA2021F33-2G4: 2W HIGH-POWER, HIGH-SPEED MULTI-B...
LoRa2021F33-2G4: 2W High-Power, High-Speed Multi-Band LR2021 Wireless Communication Module
LoRa2021F33-2G4: 2W High-Power, High-Speed Multi-Band LR2021 Wireless Communication Module
LoRa2021F33-2G4: 2W High-Power, High-Speed Multi-Band LR2021 Wireless Communication Module
LoRa2021F33-2G4: 2W High-Power, High-Speed Multi-Band LR2021 Wireless Communication Module
LoRa2021F33-2G4: 2W High-Power, High-Speed Multi-Band LR2021 Wireless Communication Module
LoRa2021F33-2G4: 2W High-Power, High-Speed Multi-Band LR2021 Wireless Communication Module
LoRa2021F33-2G4: 2W High-Power, High-Speed Multi-Band LR2021 Wireless Communication Module
LoRa2021F33-2G4: 2W High-Power, High-Speed Multi-Band LR2021 Wireless Communication Module
LoRa2021F33-2G4: 2W High-Power, High-Speed Multi-Band LR2021 Wireless Communication Module
LoRa2021F33-2G4: 2W High-Power, High-Speed Multi-Band LR2021 Wireless Communication Module

LoRa2021F33-2G4: 2W High-Power, High-Speed Multi-Band LR2021 Wireless Communication Module

The LoRa2021F3-2G4 is a transceiver module based on SEMTECH's LR2021 chip, which integrates the 4th-generation LoRa IP core and supports operation in the Sub-GHz and 2.4GHz ISM bands, the L-band, and licensed S-band frequencies, making it suitable for both terrestrial and satellite communication (SATCOM) networks.

In addition, the Lora2021F33-2G4 features extended physical-layer modulation capabilities to support Fast Long-Range Communication (FLRC). When integrated with third-party protocol stacks, it is compatible with a wide range of low-power wireless protocols, including Amazon Sidewalk, Wireless M-BUS, Wi-SUN FSK, and Z-Wave. The LoRa2021F33-2G4 is manufactured and tested using strictly lead-free processes and is fully compliant with RoHS and REACH standards.

Parameters

Test condition

Min.

Typ.

Max

Unit

Voltage Range

3.0

5

5.5

V

Operating Temperature

-40

25

85

Maximum Input Signal

10

dBm

Current Consumption

Transmit Current

@433MHz, 5V, 2W

< 1100

mA

@868/915MHz,5V,1W

< 1000

mA

@2.4GHz,5V, 1W

TxPower=5

< 1000

mA

Receive Current

@Sub-GHz

< 8

mA

@2.4G bypass ON

< 9

mA

@2.4G bypass OFF

<42

mA

Sleep Current

@3.3V

<20

uA

RF Parameters

Frequency Range

@433MHz

410

450

MHz

@470MHz

470

510

MHz

@868MHz

840

880

MHz

@915MHz

890

930

MHz

Transmit Power Adjustable Range

@Sub-GHz@433MHz

18

33

dBm

@Sub-GHz@868MHz

10

31

dBm

@Sub-GHz@915MHz

6

31

dBm

@2.4GHz

11

30

dBm

Receive Sensitivity

BW=62.5KHz,SF=12 @Sub-GHz

-143

dBm

BW=125KHz,SF=10 @Sub-GHz

-136

dBm

BW=125KHz,SF=10 @2.4GHz, Bypass ON

-124

dBm

BW=125KHz,SF=10 @2.4GHz, Bypass OFF

-136

dBm

Frequency Error

0.5

ppm

Modulation Rate 

(@Sub-GHz)

@LoRa

0.0458

125

Kbps

@FSK

0.2

2000

Kbps

Modulation Rate 

(@2.4GHz)

@LoRa

0.476

101.5

Kbps


Features

  • Sub-GHz Bands: 433/470MHz  2W
    Sub-GHz Bands: 868/915MHz  1W
    (Customizable range: 150~960 MHz)

  • 2.4GHz band: 2400-2500MHz   1W

  • 2.4GHz sensitivity: up to-136dBm 

  • @ BW=125KHz, SF=10
    Sub-GHz sensitivity: up to -144dBm

  • @BW=62.5 KHz, SF=12
    Built-in electrostatic protection circuit

  • Supports LR-FHSS

  • FLRC: modulation rate up to 2.6 Mbps

  • LoRa: modulation rate up to 125 kbps

  • 4th Generation LoRa IP technology

  • Simultaneous reception with multiple Spreading   Factors (SF)

  • Enhanced CAD (Channel Activity Detection)

  • Higher frequency offset tolerance (for harsh RF  environments):

  • Supports multiple communication protocols:
    LoRa / LoRaWAN® (Sub-GHz + 2.4GHz)
    Bluetooth® LE 5.0
    IEEE® 802.15.4 (Thread®/Zigbee™)
    Wi-SUN, Wireless M-BUS, Z-Wave, etc.

  • Transmission distance: >10km at Sub-GHz in  open area

  • Sleep current < 20µA

  • Small size, stamp hole design


Applications

  • Drones/UAV Applications

  • Smart home/Smart agriculture

  • Remote irrigation

  • Industrial manufacturing

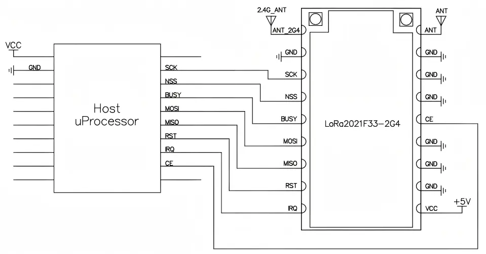
SPI wiring diagram for LoRa2021F33-2G4 module showing host MCU connections (SCK, NSS, BUSY, MOSI, MISO, RST, IRQ, CE) and power/GND.


LoRa2021F33-2G4 module top and bottom views, showing metal shield, antenna ports, and pin labels (SPI, RESET, IRQ, VCC, GND).

Pin NO.

Pin name

I/O

IO Voltage

Description

1

VCC

Connect to the positive power supply.

2,3,4,6,

7,8,11

GND

Connect to the negative power supply.

5

CE

I

0-5.5V

Internal LDO Enable Control Pin:

Operation: Drive high or leave floating (internal pull-up ensures high).

Sleep Mode: Connect to ground.

9

ANT

Sub-GHz Antenna Port, External 50Ω Antenna

10

ANT-2G4

2.4 GHz Antenna Port, External 50Ω Antenna

12

SCK

I

0-3.3V

SPI clock input

13

NSS

I

0-3.3V

SPI chip select input

14

BUSY

O

0-3.3V

Used for status indication, refer to the chip datasheet for details.

15

ANTA    MOSI

I

0-3.3V

SPI data input

16

MISO

O

0-3.3V

SPI data output

17

RESET

I

0-3.3V

Reset trigger input, refer to the chip datasheet for details.

18

IRQ

O

0-3.3V

Multipurpose digital interface, refer to the chip datasheet for details.


LoRa2021F33-2G4 mechanical dimensions drawing (39.0 × 21.0 × 3.3 mm) with pad spacing and side profile measurements.


Contact us
Privacy Policy

Privacy Policy

· Privacy Policy

There is currently no content available


           

Email:sales@nicerf.com

Tel:+86-755-23080616

Address:309-315, 3/F, Bldg A, Hongdu business building, Zone 43, Baoan Dist, Shenzhen, China


×
Submit