Type: LoRa Front-End Modules
Certification: KC,ANATEL
Modulation: LoRa
Interface: TTL
Output Power: 100mw
Frequency: 433MHz,470MHz,868MHz,915MHz
Network: MESH,Point-to-point
Size (mm):39.55*22.93
The LoRa II module is a new series of upgraded networking wireless communication modules from NiceRF. It uses advanced LoRa spread spectrum modulation frequency hopping technology to achieve high sensitivity. The penetrating power and communication distance are far superior to the current FSK and GFSK products, and have stronger anti-interference. In order to meet the application needs of different customers, we design the module software of this series as an all-in-one way. Users can switch between different working modes through the PC software configuration module. In MESH mode, the routing module has automatic routing. Function, the user can form a network transmission without blind zone without distance limitation by means of multi-module combination. At the same time, users can also encrypt AES128 wireless data through PC software or serial port instructions, making data transmission more secure.
The LoRa6100II module is designed for 1W output power under the power supply of a single-cell lithium battery, and embedded small size design, which is widely used in wireless remote transmission control industries.
LoRa6100II strictly uses lead-free process for production and testing, and meets RoHS and Reach standards.
Note: The module is internally regulated by 3.3V LDO. The CS pin and SET pin control are 3.3V levels. TXD and RXD are also 3.3V levels.
| Parameters | Min. | Typ. | Max. | Unit | Condition |
| Working Condition | |||||
| Voltage range | 3.4 | 4.0 | 5.5 | V | |
| Operating Temperature | -40 | 25 | +85 | ℃ | |
| Current Consumption | |||||
| Rx current | <8 | mA | TTL level | ||
| Tx current | < 800 | mA | @5v,31dBm 433/470MHz | ||
| < 1100 | mA | @5v,31dBm 868/915MHz | |||
| Sleep current | < 240 | uA | |||
| <40 | uA | Low Power | |||
| RF Parameters | |||||
| Frequency range | 414.92 | 433.92 | 453.92 | MHz | @433MHz |
| 470.92 | 489.92 | 509.92 | MHz | @470MHz | |
| 849.92 | 868.92 | 888.92 | MHz | @868MHz | |
| 895.92 | 914.92 | 934.92 | MHz | @915MHz | |
| Data rate | 1312 | 62500 | bps | @LoRa | |
| Output power | 18 | 30 | +31 | dBm | Software level 7 adjustable |
| Sensitivity | -129 | dBm | @1312bps | ||
| Interface | TTL |
| Network | MESH |
| Frequency | 433MHz,470MHz,868MHz,915MHz |
| Modulation | LoRa |
| Output Power | 1W |
AES128 data encryption method
No blind zone without distance limitation
Open-area transmission distance of a single module is 8-10Km @ low rate
Frequency band: 433/470/868/915 MHz for option
Up to 40 communication channels in the same frequency band
Diversified serial port parameters
Operating voltage range: 3.4 ~ 5.5 V
LBT (Listen Before Talk) function optional
Node/route/node+route optional in MESH mode
Built-in hardware reset protection circuit
LoRa modulation
TTL interface
Sensitivity up to -129 dBm@1.3Kbps
Maximum output power: 1W (@5V)
Operating temperature range: -40 ~ +85 °C


| NO. | PIN | Description |
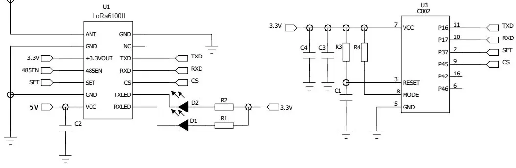
| 1 | RXLED | Receive signal indicator, low level, default high |
| 2 | TXLED | Transmit signal indicator, low level, default high |
| 3 | CS | Module enable pin (built-in pull-up) Note: Default factory version: sleep current <240uA, CS pulled high or suspended for normal communication, sleep at low level; Low power consumption version: sleep current <40uA, normal communication when CS is pulled low, pull high or float to sleep. |
| 4 | RXD | Serial communication data reception |
| 5 | TXD | Serial communication data transmission |
| 6 | NC | No use |
| 7 | GND | Antenna Ground |
| 8 | ANT | RF signal output, connected to 50 ohm antenna |
| 9 | GND | Antenna Ground |
| 10 | +3.3V OUT | 3.3V voltage output pin, can drive devices within 50mA |
| 11 | 485EN | Can be connected to the external expansion 485 level control conversion pin |
| 12 | SET | Configuration parameter enable (low level enable parameter configuration, default high level output) |
| 13 | GND | Connect the negative pole of the power supply, ground wire |
| 14 | VCC | Connect the positive pole of the power supply (typically 4V) |

Privacy Policy
· Privacy Policy
There is currently no content available
Email:sales@nicerf.com
Tel:+86-755-23080616