Certification: Others
Modulation: LoRa
Chip: SX1262
Interface: SPI
Output Power: 2W
Frequency: 868MHz,915MHz
Size (mm):38*20
Parameter | Min. | Typ. | Max. | Unit | Condition |
Operation Condition | |||||
Working voltage | 3 | 5 | 6.5 | V | |
Temperature range | -40 | 25 | 85 | ℃ | |
Current Consumption | |||||
RX current | < 5 | mA | @433MHz,470MHz @5V | ||
< 7 | mA | @868MHz,915MHz @5V | |||
TX current | 500 | 600 | mA | @5V 30dBm,433MHz,470MHz | |
600 | 700 | mA | @5V 30dBm,868MHz,915MHz | ||
750 | 850 | mA | @6V 33dBm@433MHz,470MHz | ||
Sleep current | < 2 | uA | @433MHz,470MHz | ||
< 5 | uA | @868MHz,915MHz | |||
RF Parameter | |||||
Frequency range | 400 | 433 | 460 | MHz | @433 MHz |
470 | 490 | 510 | MHz | @470 MHz | |
848 | 868 | 888 | MHz | @868 MHz | |
900 | 915 | 940 | MHz | @915 MHz | |
Data rate | 1.2 | 300 | Kbps | @FSK | |
0.018 | 62.5 | Kbps | @LoRa | ||
Output power | 31 | 33 | dBm | @433MHz,470MHz @5v | |
29 | 31 | dBm | @868MHz,915MHz @5v | ||
Software adjustable power range | 12 | 32 | dBm | @433MHz,470MHz @5v | |
1 | 30 | dBm | @868MHz,915MHz @5v | ||
Receiving sensitivity | -122 | dBm | @FSK data=1.2 Kbps Fdev=50 KHz | ||
-139 | dBm | @Lora BW=62.5 KHz SF = 12 CR=4/5 | |||
| Interface | SPI |
| Chip | SX1268 |
| Frequency | 433MHz,470MHz |
| Modulation | LoRa |
| Output Power | 2W |


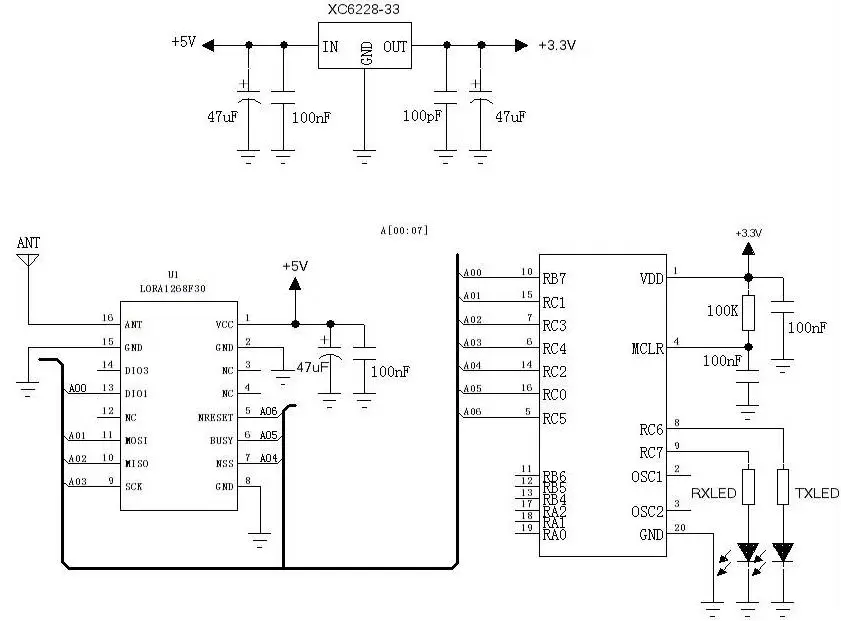
| Pin NO. | Pin name | Description |
| 1 | VCC | Power supply |
| 2 | GND | power ground |
| 3.4.12 | NC | Empty |
| 5 | NRESET | power ground |
| 6 | BUSY | Used for status indication, see chip data for details. |
| 7 | NSS | SPI enable |
| 8 | GND | power ground |
| 9 | SCK | Serial clock for SPI interface |
| 10 | MISO | SPI Output for SPI data |
| 11 | MOSI | SPI Input for SPI data |
| 13 | DIO1 | Digital I/O, customizable |
| 14 | DIO3 | Digital I/O, customizable |
| 15 | GND | power ground |
| 16 | ANT | Connect with 50 ohm coaxial antenna |


Privacy Policy
· Privacy Policy
There is currently no content available
Email:sales@nicerf.com
Tel:+86-755-23080616