Type: LoRa Front-End Modules
Certification: FCC ID
Modulation: LoRa
Chip: SX1262
Interface: SPI
Output Power: 160mW
Frequency: 915MHz
Size (mm):16*16
The LoRa1121 module utilizes SEMTECH's LR1121 chip, an ultra-low-power, long-range transceiver that supports both global ISM band and 2.4GHz communication. The LoRa1121 supports LoRa and (G)FSK modulation in the Sub-GHz and 2.4GHz bands, as well as Sigfox® modulation in the Sub-GHz band, and long-range frequency hopping spread spectrum (LR-FHSS) in the Sub-GHz, 1.9-2.1GHz, and 2.4GHz ISM bands. The LR1121 complies with the physical layer requirements of the LoRaWAN® specifications released by the LoRa Alliance®, while remaining highly configurable to meet the needs of various applications and proprietary protocols.
LoRa1121 is produced and tested strictly using lead-free processes, and comply with RoHS and REACH standards,LoRa1121 has obtained FCC and CE Certified.
Sub-GHz Bands :433/470MHz/868/915MHz
Customizable frequency range :150~960 MHz2.4G band :2400-2500MHz
S band :1900MHz-2200MHz
S band sensitivity : up to -132 dBm@ BW=125 KHz, SF=12
2.4GHz reception sensitivity :up to-129dBm @ BW=406 KHz, SF=7
Sub-GHz reception sensitivity:up to -144dBm @ BW=62.5 KHz, SF=12
Built-in electrostatic protection circuit
Supports LR-FHSS
Supports LoRaWAN and Sigfox protocol
Supports AES-128 encryption and decryption
Transmitter power is adjustable,up to 22dBm
Sleep current ≤ 1µA
Receive current < 7mA
Small size, stamp hole design
Drones
Smart home
Smart agriculture
Remote irrigation
Industrial manufacturing


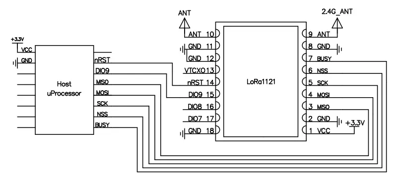
Pin NO. | Pin name | I/O | Description |
1 | VCC | Connect to the positive power supply. | |
2,8,11,12 | GND | Connect to the negative power supply. | |
3 | MISO | O | SPI data output |
4 | MOSI | I | SPI data input |
5 | SCK | I | SPI clock input |
6 | NSS | I | SPI chip select input |
7 | BUSY | O | Used for status indication, refer to the chip datasheet for details |
9 | 2.4/S_ANT | 2.4G and S band antenna interface,external 50-ohm antenna. | |
10 | ANTA ANT | @sub-GHz band antenna interface, external 50-ohm antenna. | |
13 | VTCXO | O | Can provide power for an external TCXO. |
14 | RST | I | Reset trigger input, refer to the chip datasheet for details. |
15 | DIO9 | IO | Multipurpose digital interface, refer to the chip datasheet for details. |
16 | DIO8 | IO | Multipurpose digital interface, refer to the chip datasheet for details. |
17 | DIO7 | IO | Multipurpose digital interface, refer to the chip datasheet for details. |

Parameters | Test condition | Min. | Typ. | Max | Unit |
Voltage range | 1.8 | 3.3 | 3.6 | V | |
Operating Temperature | -40 | 25 | 85 | ℃ | |
Maximum Input Signal | 10 | dBm | |||
Current Consumption | |||||
Transmit Current | @433MHz | < 110 | mA | ||
@2.4GHz | < 36 | mA | |||
Receive Current | @3.3V,2.4GHz | < 7 | mA | ||
@3.3V,433MHz | < 6 | mA | |||
Sleep Current | @3.3V | ≤ 1 | uA | ||
RF Parameters | |||||
Frequency Range | @433MHz | 400 | 460 | MHz | |
@470MHz | 470 | 510 | MHz | ||
@868MHz | 850 | 890 | MHz | ||
@915MHz | 900 | 940 | MHz | ||
Transmit Power | @Sub-GHz | 19 | 21 | dBm | |
2.4GHz | 10 | 11 | dBm | ||
Receive Sensitivity | BW=62.5KHz,SF=12 @Sub-GHz | -142 | dBm | ||
BW=125KHz,SF=12 @S frequency band | -132 | dBm | |||
BW=406KHz,SF=7 @2.4GHz | -129 | dBm | |||
Frequency Error | 10 | ppm | |||
Modulation Rate (@sub-GHz) | @LoRa | 0.091 | 62.5 | Kbps | |
@FSK | 0.6 | 300 | Kbps | ||
Modulation Rate (@S Frequency bands) | @LoRa | 0.292 | 87.5 | Kbps | |
Modulation Rate (@2.4GHz) | @LoRa | 0.476 | 87.5 | Kbps | |
Privacy Policy
· Privacy Policy
There is currently no content available
Email:sales@nicerf.com
Tel:+86-755-23080616