LoRa1276-C1-915 : FCC ID Certified 915MHz SX1276 LoRa Module With ESD Protection
Type: (G)FSK Front-End Modules,LoRa Front-End Modules
Certification: FCC ID,IC ID
Modulation: LoRa
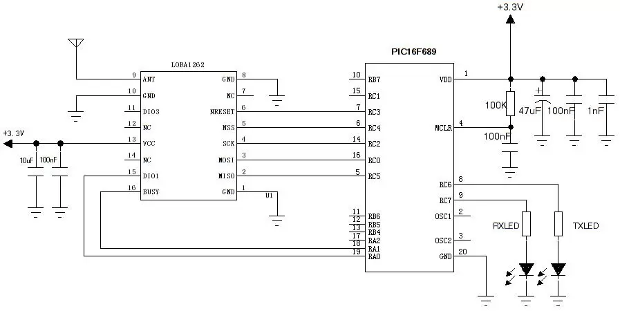
Chip: SX1276
Interface: SPI
Output Power: 100mW
Frequency: 915MHz
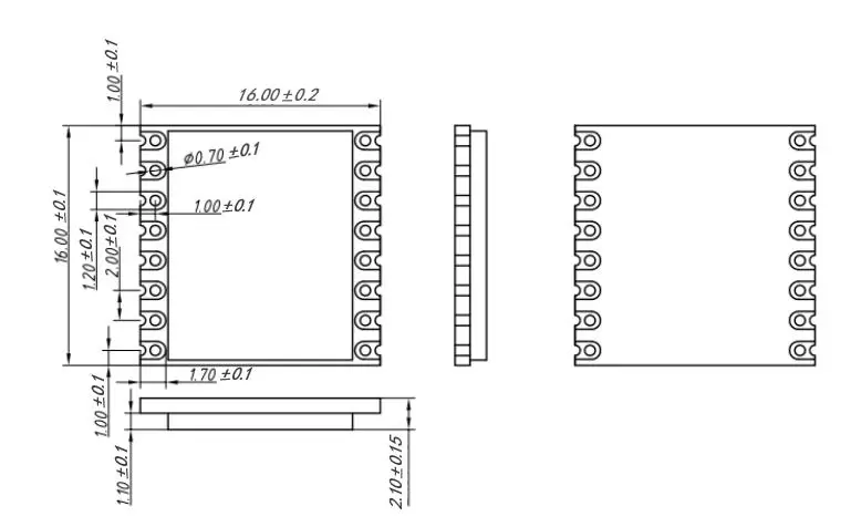
Size (mm):16*16

English







