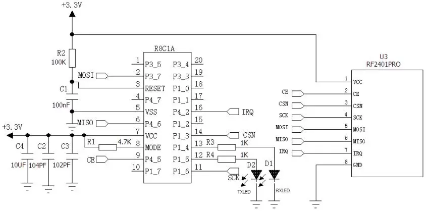
RF2401F20 : nRF24L01+ 2.4GHz CE-RED & FCC ID & IC ID & TELEC Certified Original Nordic RF Module
Type: (G)FSK Front-End Modules
Certification: CE-RED,FCC ID,IC ID,TELEC
Modulation: (G)FSK
Chip: nRF24L01+
Interfacce: SPI
Output Power: 100mW
Frequency: 2.4GHz
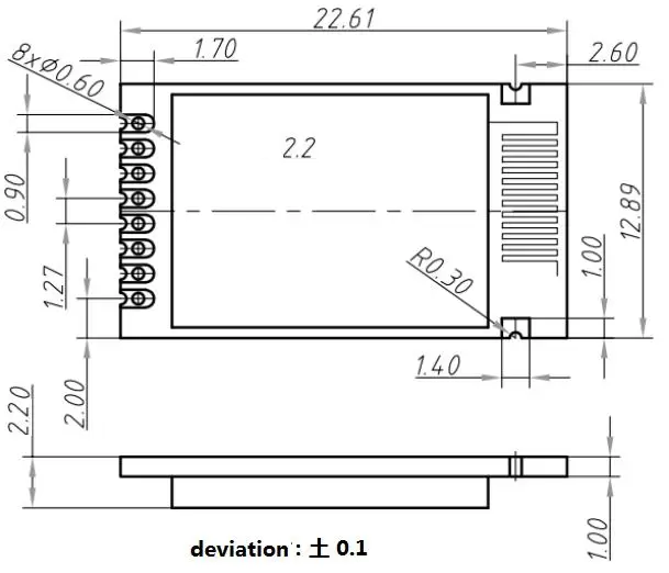
Size (mm):20*13.02

English 



