NR60 module is an audio processing module developed by NiceRF, integrating noise reduction and echo cancellation.
Parameters | Condition | Min. | Typ. | Max. | Unit |
Power Supply | 3.3 | 5.5 | V | ||
Working temperature | -20 | 25 | 85 | ℃ | |
Current consumption | |||||
Operating current | 22 | mA | |||
Noise reduction parameters | |||||
Signal-to-noise ratio | Signal power to background noise ratio | -5< SNR < 0 | |||
Maximum noise suppression | Microphone ambient noise | ≤80 | db | ||
Voice distance | Distance from the person to the microphone | <10 | cm | ||
Filters out sounds such as:steady-state noise, music noise, wind noise, transient random noise, mechanical noise, and other non-human voice noises
time from MIC input noise reduction to HPOUT audio output is 76 ms
Sampling rate: 16K, 16 bits
Online education
Social entertainment
Various scenarios requiring background noise filtration


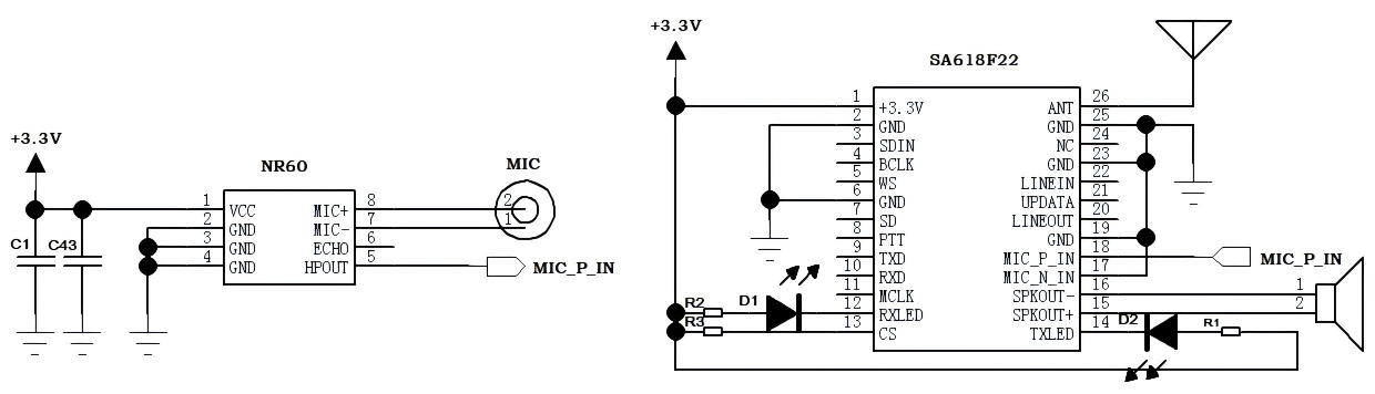
Pin NO | Pin name | I/O | Description |
1 | VCC | External power supply positive terminal(Minimum 3.3V, Maximum 5.5V) | |
2,3,4 | GND | Connect to power ground | |
5 | HPOUT | O | audio output pin is typically connected to the MIC_IN pin of the customer's productn |
6 | ECHO | I | Floating |
7 | MIC- | I | Microphone negative input pin |
8 | MIC+ | I | Microphone positive input pin |

Privacy Policy
· Privacy Policy
There is currently no content available
Email:sales@nicerf.com
Tel:+86-755-23080616