Contact us
| Parameters | Condition | Min | Typ. | Max | Unit |
| Power Supply | 3.3 | 4.0 | 5 | V | |
| Working temperature | -20 | 25 | 60 | ℃ | |
| Frequency Range | @UHF | 400 | 470 | MHz | |
| @VHF | 134 | 174 | MHz | ||
| @350 | 320 | 400 | MHz | ||
| Serial baud rate | 57600 | bps | |||
| Current Consumption | |||||
| Sleep current | @CS pulled low for 3 seconds | < 1 | mA | ||
| RX Current | < 165 | mA | |||
| TX current(High power)-DMR | @VCC=4.2V,2w | 400-1200 | mA | ||
| TX current(Low power)-DMR | @VCC=4.2V,0.5w | 200-600 | mA | ||
| TX current(High power)-Analog | @VCC=4.2V,2w | < 1300 | mA | ||
| TX current(Low power)-Analog | @VCC=4.2V,0.5w | < 700 | mA | ||
| Analog Rx Parameters | |||||
| Rx sensitivity (Analog) | @12dB SINAD | -120 | dBm | ||
| S/N | @1.5K deviation | 40 | dB | ||
| Adjacent channel selectivity | 12.5KHz offset | 62 | dB | ||
| Inter modulation Rejection | 12.5KHz offset | 63 | dB | ||
| Blocking immunity | Interference frequency interval > 1M | 88 | dB | ||
| audio amplitude (line out) | F0=1KHz | 0.2 | 130 | 460 | mV |
| output impedance of audio(SPK) | 8 | Ohm | |||
| Audio distortion | F0=1KHz | 5 | % | ||
| Audio response | 300Hz | 8 | dB | ||
| 500Hz | 6 | ||||
| 1KHz | 0 | ||||
| 2KHz | -6 | ||||
| 3KHz | -12 | ||||
| DMR Rx parameters | |||||
| BER(DMR Mode) | @ -117dBm | 4 | % | ||
| Adjacent channel selectivity(ACS) | Offset:+12.5kHz | 60 | dB | ||
| Offset:-12.5kHz | |||||
| Intermodulation Rejection | Offset:+50/100kHz | 63 | dB | ||
| Offset:-50/100kHz | |||||
| Blocking immunity | Offset:+/-1MHz | 87 | dB | ||
| Offset:+/-5MHz | |||||
| Analog Tx Parameters | |||||
| Max Freq deviation | 12.5KHz deviation(N) | 2.2 | 2.5 | KHz | |
| 25KHz deviation(W) | 4.5 | 5 | KHz | ||
| Sensitivity | deviation: 1.5KHz/2.5KHz | 4 | 7 | 10 | mV |
| Audio distortion | deviation: 1.5KHz/2.5KHz | 1 | 5 | % | |
| Modulation characteristic | 300Hz | -13 | -11 | -9 | dB |
| 500Hz | -9 | -6 | -5 | dB | |
| 1KHz | -3 | 0 | 1 | dB | |
| 2KHz | 3 | 6 | 7 | dB | |
| 3KHz | 3 | 7 | 11 | dB | |
| CTCSS deviation | 350 | 400 | 600 | Hz | |
| output power of adjacent channel | 12.5KHz offset | -63 | -65 | dBc | |
| SNA | 1.5KHZ/2.5KHZ | 38 | 40 | 50 | dB |
| DMR Tx parameters | |||||
| frequency error | 0.5 | ppm | |||
| 4FSK Tx BER | ≤1×10-4 | ||||
| output power of adjacent channel | +/-12.5kHz | ≤-55 | dB | ||
| output power of next adjacent channel | +/-25kHz | ≤-65 | dB | ||
| Type | DMR walkie talkie |
| Output Power | 2W |
DMR walkie talkie module
Invisible intercom system
Building security system
Audio surveillance system



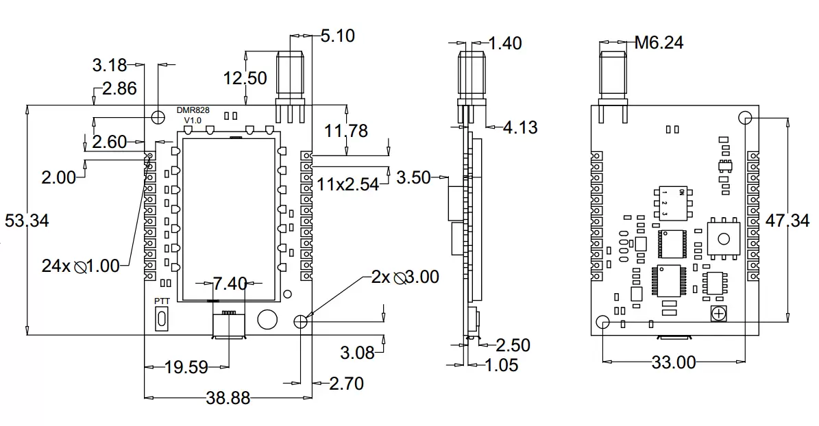
| Pin NO. | Pin name | I/O | Description |
| 1 | VCC | VCC ( 3 - 5V ) | |
| 2,4 | GND | Ground | |
| 3 | CS | I | 0: Sleep; 1: working (high level or leave open) |
| 5 | PTT | I | 0: TX, 1: RX |
| 6 | LINE_OUT | O | Audio output without amplified |
| 7 | 8 | I | Frequency channel selection,( 16 channels ) |
| 8 :the maximum bit, | |||
| 4: the 3rd bit, | |||
| 2: the 2nd bit; | |||
| 1: the least bit for example : | |||
| 8421 encoding: | |||
| 0000: channel 0, | |||
| 0001: channel 1 | |||
| 0010: channel 2 | |||
| 8 | 4 | 0011 :channel 3 | |
| 9 | 2 | … | |
| 10 | 1 | 1111 : channel 15 | |
| 11 | SPKN | Audio output, connect to speaker 8Ω 2W | |
| 12 | SPKP | ||
| 13,15,17,24 | GND | Ground | |
| 14 | SPKEN | O | Valid signal indicator, 1: signal valid, 0: No valid signal received. This pin can be used to drive external voice amplifier. 1: on, 0:off |
| 16 | MIC_IN | Microphone or line in | |
| 18 | UART-TX | O | TXD of the module and connect to external RXD |
| 19 | UART-RX | I | RXD of the module and connect to external TXD |
| 20,21 | NC | ||
| 22 | HST_TXD | Reserved | Serial port to send data pin (for upgrading program) |
| 23 | HST_TXD | Reserved | Serial port receiving data pin (for upgrading program) |

Privacy Policy
· Privacy Policy
There is currently no content available
Email:sales@nicerf.com
Tel:+86-755-23080616