Contact us
| Parameters | Min. | Typ. | Max. | Unit | Condition |
| Working Condition | |||||
| Voltage range | 3.3 | 5.0 | 6.5 | V | |
| Operating Temperature | -40 | 25 | +85 | ℃ | |
| Current Consumption | |||||
| Rx current | 25 | mA | TTL level | ||
| 34 | mA | 485 level | |||
| Tx current | 350 | mA | @27dBm | ||
| Sleep current | <5 | uA | @TTL level | ||
| RF Parameters | |||||
| Frequency range | 414.92 | 433.92 | 453.92 | MHz | @433MHz |
| 470.92 | 489.92 | 509.92 | MHz | @470MHz | |
| 849.92 | 868.92 | 888.92 | MHz | @868MHz | |
| 895.92 | 914.92 | 934.92 | MHz | @915MHz | |
| Data rate | 1.2 | 9.6 | 115.2 | Kbps | GFSK |
| Output power | 20 | / | +27 | dBm | |
| Sensitivity | -121 | dBm | @1.2Kbps | ||
| Interface | TTL,RS485 |
| Network | STAR,Point-to-point |
| Frequency | 433MHz,470MHz,868MHz,915MHz |
| Modulation | (G)FSK |
| Output Power | 500mW |


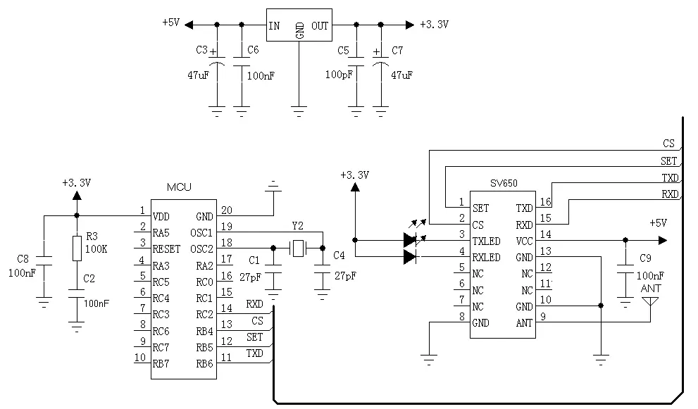
| Pin No. | Definition | Description |
| 1 | SET | Configuration parameters enable (low to enable the configuration parameters, the default high-level output) |
| 2 | CS | The module is enabled (low dormancy, the current is less than 5uA, the default high-level output) |
| 3 | TXLED | Emitted light output pin (active low) |
| 4 | RXLED | Receive indicator output pin (active low) |
| 5 / 6 / 7 / 11 /12 | NC | Vacant |
| 8/10/13 | GND | Connected to power ground |
| 9 | ANT | RF signal output, then a 50 ohm antenna |
| 14 | VCC | Connected to the positive power supply (typical 5V) |
| 15 | TXD/A | Serial communication data transmission (@ 485 level, then the output of A) |
| 16 | RXD/B | Serial communication data reception (@ 485 level, then the output B) |

Privacy Policy
· Privacy Policy
There is currently no content available
Email:sales@nicerf.com
Tel:+86-755-23080616