Contact us
| Parameter | Min | TP | Max | Unit | Condition |
| Operation Conditions | |||||
| Supply Voltage | 1.8 | 3.3 | 3.6 | V | |
| Operating Temperature Range | -40 | 25 | 85 | ℃ | |
| Current Consumption | |||||
| Emission current | 6.8 | 8 | mA | @3.3V | |
| Receive current | 2.9 | mA | @3.3V | ||
| Sleep current | 0.26 | mA | |||
| Special Function | Ant+ |
| Configuration Messages | ||
| Unassign Channel | Assign Channel | Set Channel ID |
| Channel Messaging Period | Channel Search Timeout | Channel RF Frequency |
| Set Network Key | Transmit Power | Search Waveform |
| Add Channel ID to List | Add Encryption ID to List | Config ID List |
| Config Encryption ID List | Set Channel Tx Power | Channel Low Priority Search Timeout |
| Enable Extended Messages | Lib Config | Frequency Agility |
| Proximity Search | Channel Search Priority | Configure Advanced Burst |
| Configure Event Filter | Configure Selective Data Updates | Set Selective Data Update (SDU) Mask |
| Enable Single Channel Encryption | Set Encryption Key | 1.27 Set Encryption Info |


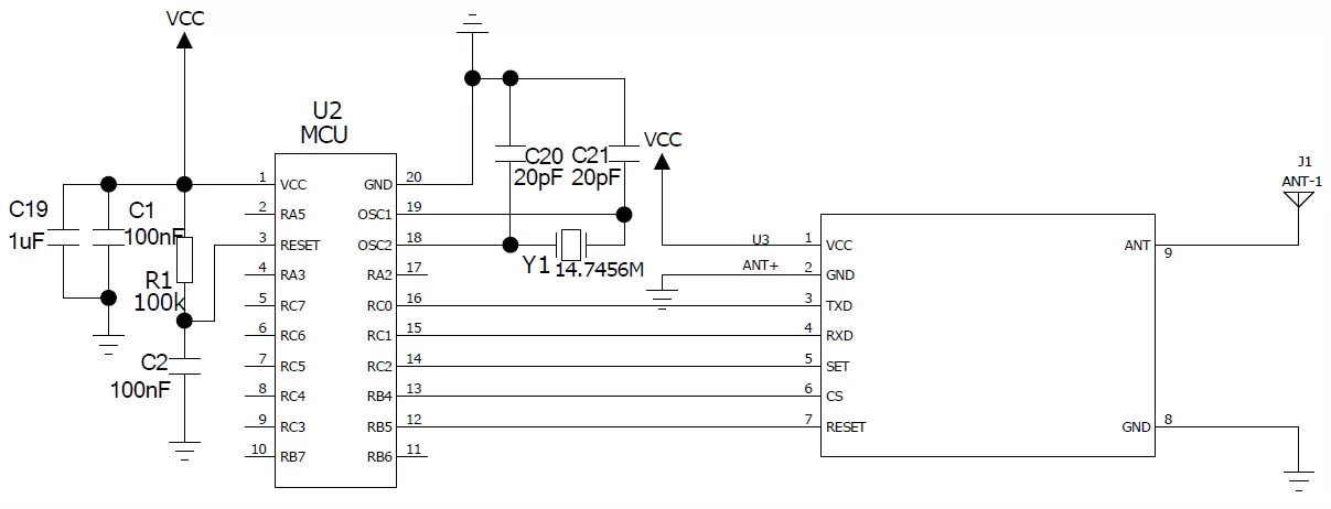
Pin NO. | Pin Name | Description |
| 1 | VCC | Power positive |
| 2 | GND | Power ground |
| 3 | TXD | Serial TXD |
| 4 | RXD | Serial RXD |
| 5 | SET | Enter the DFU (firmware upgrade) mode control pin, pull this pin low, and then give a low pulse to the RESET pin, and the module will enter DFU mode after restarting. Pull up or leave this pin unconnected, power-on or reset will enter the normal operating mode. |
| 6 | CS | Sleep control pin, pull down the CS module to sleep, pull it high or float to make the module work normally |
| 7 | RESET | Pull this pin low to reset the module, pull it high or floating, the module will work normally |
| 8 | GND | Power ground |
| 9 | ANT | Antenna interface |

Privacy Policy
· Privacy Policy
There is currently no content available
Email:sales@nicerf.com
Tel:+86-755-23080616