Contact us
| Parameter | Min. | Typ. | Max. | Unit | Condition |
| Operation Condition | |||||
| Working voltage | 1.8 | 3.3 | 3.7 | V | |
| Temperature range | -40 | 25 | 85 | ℃ | |
| Current Consumption | |||||
| RX current | < 5 | mA | @ crystal oscillator | ||
| TX current | < 110 | mA | @433MHz @490MHz | ||
| Sleep current | 1.9 | uA | OFF mode (SLEEP mode with cold start) All blocks off | ||
| 2.3 | uA | SLEEP mode (SLEEP mode with warm start) Configuration retained | |||
| 2.9 | uA | SLEEP mode (SLEEP mode with warm start) Configuration retained + RC64k | |||
| 0.56 | mA | STDBY_RC mode , RC13M, XOSC OFF | |||
| 2.35 | mA | STDBY_XOSC mode , XOSC ON | |||
| RF Parameter | |||||
| Frequency range | 400 | 433 | 450 | MHz | @433MHz |
| 470 | 489.92 | 510 | MHz | @470MHz | |
| Output power | -15 | 22 | dBm | ||
| Receiving sensitivity | -133 | dBm | @LoRa BW=125KHz_SF = 10_CR=4/5 | ||
| Interface | SPI |
| Chip | SX1268 |
| Frequency | 433MHz,470MHz |
| Modulation | LoRa |
| Output Power | 160mW |


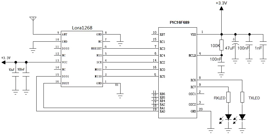
| Pin NO. | Pin name | Description |
| 1 | GND | power ground |
| 2 | MISO | SPI Output for SPI data |
| 3 | MOSI | SPI Input for SPI data |
| 4 | SCK | Serial clock for SPI interface |
| 5 | NSS | SPI enable |
| 6 | NRESET | Reset input |
| 7、12、14 | NC | Empty |
| 8 | GND | power ground |
| 9 | ANT | Connect with 50 ohm coaxial antenna |
| 10 | GND | power ground |
| 11 | DIO3 | Digital I/O |
| 13 | VCC | Connected power supply(default3.3V) |
| 15 | DIO1 | Digital I/O |
| 16 | BUSY | Used for status indication, see datasheet for details. |

Privacy Policy
· Privacy Policy
There is currently no content available
Email:sales@nicerf.com
Tel:+86-755-23080616