Type: GPS
Certification: Others
Size (mm):9.9*10.1
GPS01-ZK module is a tri-mode Mini GPS module that supports BDS/GPS/GLONASS/QZSS/SBAS and fully supports BeiDou B3, which can provide users with high quality, strong anti-jamming and low-power positioning and navigation solutions. It has the advantages of low current, high sensitivity, high accuracy, which is suitable for vehicle navigation, handheld positioning, and wearable equipment.






| Parameter | Description | Minimum | Typical | Maximum | Unit | Condition |
| Operating conditions | ||||||
| Operating voltage range | VCC | 3.0 | 3.3 | 3.5 | V | |
| V_BCKP | 2.5 | 3.3 | 3.5 | V | ||
| Temperature | Working | -40 | 85 | ℃ | ||
| Storage | -40 | 125 | ℃ | |||
| Current consumption | ||||||
| Receive current | <28 | mA | @Dual mode, VCC=3.3V, V_BCKP=3.3V | |||
| Sleep current | < 10 | uA | VCC=0V, V_BCKP=3.3V | |||
| Radio frequency parameters | ||||||
| Positioning accuracy | < 2 | m | @Open land | |||
| Sensitivity | capture | -148 | dBm | |||
| track | -162 | dBm | ||||
| External antenna gain | 30 | dB | ||||
| Speed measurement accuracy | < 0.1 | m/s | ||||
| Time to First fix(TTFF) | Cold start | ≤ 32 | s | |||
| Hot Start | ≤ 1 | s | ||||
| Recapture | ≤ 1 | s | ||||
| Serial port parameters | ||||||
| Serial baud rate | 9600 | 115200 | bps | |||
| Data update rate (Single mode) | BDS/GPS/ GLONASS | 1 | 5 | Hz | Default 1 Hz | |
| Data update rate (Dual mode) | BDS+GPS | 1 | 5 | Hz | ||
| BDS+GLONASS | 1 | 5 | Hz | |||
| GPS+GLONASS | 1 | 5 | Hz | |||
| Data update rate (Tri-mode) | BDS+GPS+GLONASS | 1 | 5 | Hz | ||
| Type | GPS |
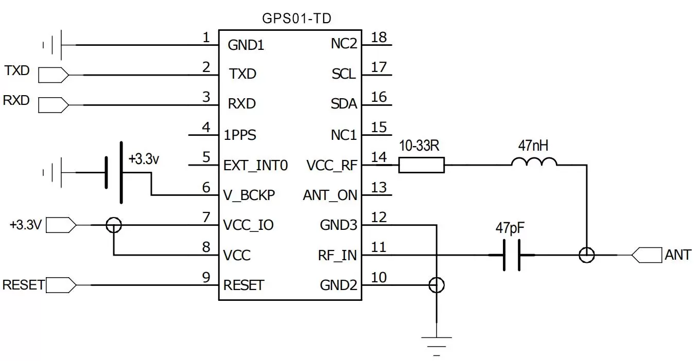
The active antenna connection method is as follows:

The passive antenna connection method is as follows:


| Pin number | Pin definition | I/O | Level standard | Description |
| 1、10、12 | GND | — | Power ground | |
| 2 | TXD | O | 0-3.5 V | Serial interface |
| 3 | RXD | I | 0-3.5 V | Serial interface |
| 4 | 1PPS | O | 0-3.5 V | 1 pulse output per second |
| 5 | EXT_INT0 | I | 0-3.5 V | Reserved |
| 6 | V_BCKP | I | 2.5-3.5 V | Backup power input |
| 7 | VCC_IO | — | 3.0-3.5 V | IO power input |
| 8 | VCC | — | 3.0-3.5 V | Main power input |
| 9 | nRESET | I | 0-3.5 V | External reset, active low. Cannot be connected to ground through capacitor. |
| C | RF_IN | I | Antenna input | |
| 13 | ANT_ON | O | 0-3.5 V | Reserved |
| 14 | VCC_RF | O | VCC | 3.3V output, powered for the antenna or LNA, not exceed 20mA |
| 15、18 | NC | — | ||
| 16 | SDA | I/O | 0-3.5 V | I2C interface |
| 17 | SCL | I | 0-3.5 V | I2C interface |

Privacy Policy
· Privacy Policy
There is currently no content available
Email:sales@nicerf.com
Tel:+86-755-23080616