Contact us
| Parameter | Min | Typ. | Max. | Unit | Condition |
| Working Condition | |||||
| Working Voltage Range | 2.1 | 3.3 | 3.6 | V | |
| Temperature Range | -40 | 85 | ℃ | ||
| Current Consumption | |||||
| Receiving Current | 3 | mA | |||
| Transmitting Current | 25 | mA | @10dBm | ||
| Sleep Current | <1 | uA | |||
| RF Parameter | |||||
| Frequency Range | 429 | 433 | 440 | MHz | @433MHz |
| Modulation Rate | 0.78 | 150 | Kbps | FSK | |
| TX Power Range | -8.5 | 12.5 | dBm | ||
| Receiving Sensitivity | -110 | dBm | @data=1.2kbps,Fdev=50kHz | ||
| Modulation | (G)FSK |
| Chip | SX1212 |
| Frequency | 433MHz,315MHz |
| Interface | SPI |



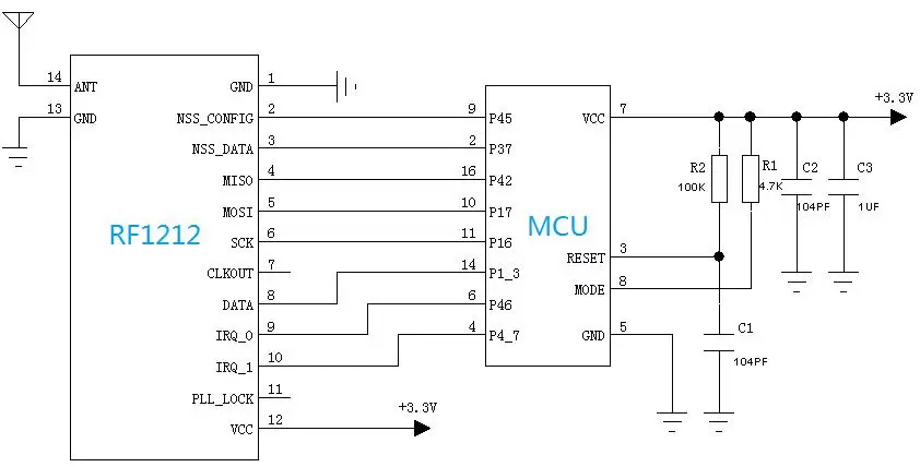
| Pin No. | Pin Name | Description |
| 1 | GND | Ground |
| 2 | NSS_CONFIG | SPI CONFIG enable |
| 3 | NSS_DATA | SPI DATA enabling |
| 4 | MISO | SPI data output |
| 5 | MOSI | SPI data input |
| 6 | SCK | SPI clock input |
| 7 | CLKOUT | Clock output |
| 8 | DATA | NRZ data input and output (Continuous mode) |
| 9 | IRQ_0 | Interrupt output |
| 10 | IRQ_1 | Interrupt output |
| 11 | PLL_LOCK | PLL Lock detect output |
| 12 | VCC | Positive power supply |
| 13 | GND | Antenna ground |
| 14 | ANT | Antenna |

Privacy Policy
· Privacy Policy
There is currently no content available
Email:sales@nicerf.com
Tel:+86-755-23080616