Contact us
| Parameter | Min. | Typ. | Max. | Unit | Conditions |
| Operation Conditions | |||||
| Supply Voltage | 1.8 | 3.3 | 3.6 | V | |
| Operating Temperature | -40 | 25 | 85 | ℃ | |
| Current Consumption | |||||
| RX Current | 18.5 | mA | |||
| TX Current | 35 | mA | @13dBm | ||
| Sleep Current | <1 | uA | |||
| RF Parameters | |||||
| Frequency | 403 | 433 | 463 | MHz | @433MHz |
| 838 | 868 | 898 | MHz | @868MHz | |
| 900 | 915 | 940 | MHz | @915MHz | |
| Air data rate | 0.123 | 256 | Kbps | FSK | |
| Output power | -8 | 13 | dBm | ||
| Sensitivity | -118 | dBm | @data=1.2Kbps,Fdev=30KHz | ||
| Modulation | (G)FSK |
| Chip | si4431 |
| Frequency | 315MHz,433MHz,868MHz,915MHz |
| Output Power | 20mW |
| Interface | SPI |



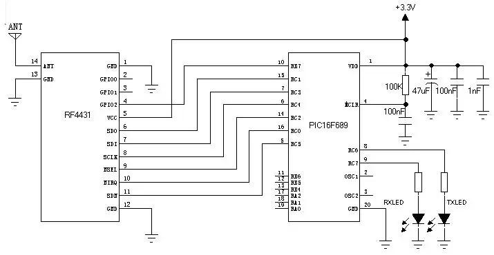
| Pin NO. | Pin Name | Description |
| 1 | GND | Connected to power ground |
| 2 | GPIO0 | GPIO 0 of Si4431 |
| 3 | GPIO1 | GPIO 1 of Si4431 |
| 4 | GPIO2 | GPIO 2 of Si4431 |
| 5 | VCC | Positive supply 1.8--3.6V |
| 6 | SDO | Serial data out for SPI interface |
| 7 | SDI | Serial data in for SPI interface |
| 8 | SCLK | Serial data clock for SPI interface |
| 9 | nSEL | Serial data selection for SPI interfaces. |
| 10 | nIRQ | Interrupt output |
| 11 | SDN | Power down control. SDN = 1, power down SDN = 0, normal working. |
| 12 | GND | Connected to power ground |
| 13 | GND | Connected to power ground |
| 14 | ANT | From 50 ohm coaxial antenna |

Privacy Policy
· Privacy Policy
There is currently no content available
Email:sales@nicerf.com
Tel:+86-755-23080616