Contact us
| Parameter | Min | Typ | Max | Unit | Condition |
| Working Condition | |||||
| Working voltage range | 1.8 | 3.3 | 3.8 | V | |
| Temperature voltage | -40 | 85 | ℃ | ||
| Current Consumption | |||||
| Receiving current | 14 | mA | |||
| Transmitting current | 85 | mA | @20dBm | ||
| Sleep current | < 0.1 | uA | |||
| Parameter | |||||
| Frequency range | 425 | 433 | 463 | MHz | @433MHz |
| 470 | 490 | 510 | MHz | @470MHz | |
| Modulation rate | 0.1 | 500 | Kbps | FSK | |
| Output power range | -20 | 20 | dBm | ||
| Receiving sensitivity | -124 | dBm | @data=500bps | ||
| Modulation | (G)FSK |
| Chip | si4438 |
| Frequency | 433MHz |
| Output Power | 100mW |
| Interface | SPI |



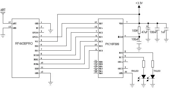
| Pin NO. | Pin Name | Description |
| 1 | GND | Power ground |
| 2 | NC | NC |
| 3 | GPIO0 | GPIO0 of Si4468 |
| 4 | GPIO1 | GPIO1 of Si4468 |
| 5 | VCC | Positive power supply 3.3V |
| 6 | SDO | Serial data out for SPI interface. |
| 7 | SDI | Serial data in for SPI interface |
| 8 | SCLK | Serial data clock for SPI interface |
| 9 | nSEL | Serial data selection for SPI interfaces. |
| 10 | nIRQ | Interrupt output |
| 11 | SDN | Power down control. SDN = 1, power down SDN = 0, normal working |
| 12 | GND | Power ground |
| 13 | GND | power ground |
| 14 | ANT | Connect with 50 ohm coaxial antenna |


Privacy Policy
· Privacy Policy
There is currently no content available
Email:sales@nicerf.com
Tel:+86-755-23080616