Nov . 2024
LoRa1121F33-1G9 module is built on SEMTECH's LR1121 chip, an ultra-low power, long-range LoRa transceiver supporting Sub-GHz and satellite-connected S-band communication. The LoRa1121F33-1G9 supports LoRa, (G)FSK modulation, Sigfox protocol, and LR-FHSS. It is compatible with the LoRaWAN communication protocol and can function as a LoRaWAN node. Additionally, it offers flexible configuration options to meet the requirements of various applications and proprietary protocols.
Features of LoRa Module LoRa1121F33-1G9
Sub-GHz Bands :433/470MHz 2W
Sub-GHz Bands: 868/915MHz 1W (Customizable : 150~960 MHz)
S band: 1900MHz~2000MHz 0.8W
S band sensitivity : up to -132 dBm @ BW=125 KHz, SF=12
Sub-GHz reception sensitivity: up to-144dBm @ BW=62.5 KHz, SF=12
Electrostatic Protection (ESD)
Supports LR-FHSS
Supports LoRaWAN and Sigfox protocol
Supports AES-128 encryption and decryption
Sub-GHz transmission exceeds 10 km in open areas
Sleep current < 15µA
Receive current < 9mA
Small size, stamp hole design
Drones
Remote irrigation
Smart home/Smart agriculture
Industrial manufacturing
Block Diagram

Electrical Characteristics
Parameters | Test condition | Min. | Typ. | Max | Unit |
Voltage range | 3.0 | 5 | 5.5 | V | |
Operating Temperature | -40 | 25 | 85 | ℃ | |
Maximum Input Signal | 10 | dBm | |||
Current Consumption | |||||
Transmit Current | @433MHz | < 900 | mA | ||
@1.9GHz | < 1000 | mA | |||
Receive Current | < 9 | mA | |||
Sleep Current | < 15 | uA | |||
RF Parameters | |||||
Frequency Range | @433MHz | 400 | 470 | MHz | |
@470MHz | 470 | 510 | MHz | ||
@868MHz | 850 | 890 | MHz | ||
@915MHz | 900 | 940 | MHz | ||
Transmit Power | @Sub-GHz | 20 | 33 | dBm | |
@S Frequency Band | 5 | 29 | dBm | ||
Receive Sensitivity | BW=62.5KHz,SF=12 @Sub-GHz | -142 | dBm | ||
BW=125KHz,SF=12 @S Frequency Band | -132 | dBm | |||
Frequency Error | 10 | ppm | |||
Modulation Rate (@sub-GHz) | @LoRa | 0.091 | 62.5 | Kbps | |
@FSK | 0.6 | 300 | Kbps | ||
Modulation Rate (@S Frequency bands) | @LoRa | 0.292 | 87.5 | Kbps | |
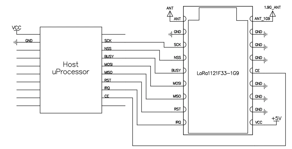
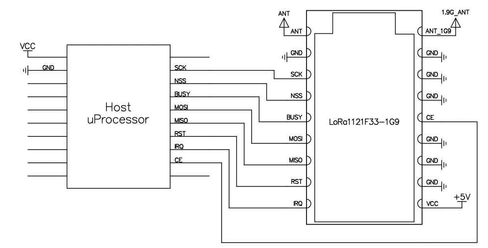
Typical Schematic Circuit

Power Level | 433MHz | 1.9GHz | ||
Output Power(dBm) | Current(mA) | Output Power(dBm) | Output Power(mA) | |
0 | 20.1 | 419 | 5.0 | 112 |
1 | 22.6 | 427 | 8.7 | 131 |
2 | 25.3 | 445 | 11.0 | 152 |
3 | 27.2 | 485 | 13.7 | 181 |
4 | 29.3 | 551 | 16.7 | 233 |
5 | 30.8 | 628 | 19.8 | 308 |
6 | 31.7 | 691 | 22.7 | 404 |
7 | 32.2 | 734 | 23.9 | 434 |
8 | 32.6 | 775 | 24.4 | 482 |
9 | 32.9 | 817 | 29.6 | 920 |
Operating Voltage(v) | 433MHz | 1.9GHz | ||
Power(dBm) | Current(mA) | Power(dBm) | Current(mA) | |
3.0 | 28.0 | 506 | 27.8 | 745 |
3.5 | 29.5 | 604 | 29.1 | 846 |
4.0 | 30.7 | 678 | 30.0 | 912 |
4.5 | 31.7 | 736 | 30.3 | 920 |
5.0 | 32.6 | 810 | 30.3 | 920 |
5.5 | 33.3 | 844 | 30.3 | 920 |
Mechanism Dimension(Unit:mm)

Appendix 1: Function Demonstration Board

The demo board has three buttons: SET, UP, and DOWN. Their functions are as follows:
Buttons | Functions |
SET Key Short Press | Confirm or enter the next level of the interface |
SET Key Long Press | Return to the previous interface |
UP Key Short Press | Move cursor up or increase parameter by 1 |
UP Key Long Press | Increase parameter |
DOWN Key Short Press | Move cursor down or decrease parameter by 1 |
DOWN Key Long Press | Decrease parameter |
Operation Method:
Ensure normal power supply, then toggle the power switch to turn on the power. The DEMO board screen will display the current function interface.Short press the SET key to enter the setting mode. To select an option, short press the SET key; to return, long press the SET key. Use the UP and DOWN keys to select the parameter you want to adjust. Finally, short press the SET key to complete the modification.
nMode: Function
nBand: Frequency Band
nFREQ: Frequency
nSF: Spreading Factor
nBW: Bandwidth
nPOWER: Power
nCR: Coding Rat
+86-755-23080616
sales@nicerf.com
Website: https://www.nicerf.com/
Address: 309-315, 3/F, Bldg A, Hongdu business building, Zone 43, Baoan Dist, Shenzhen, China
Privacy Policy
· Privacy Policy
There is currently no content available
Email:sales@nicerf.com
Tel:+86-755-23080616