RF9209 is a FSK wireless transceiver working in 2.4 GHz ISM band. Compared to other 2.4 GHz modules/chips, the low consumption, high sensitivity, high power output, long distance communication is most attractive. This module adopts the wireless chip which is designed by one of the top Euro RF company. All the features of low cost, small size and stability, 10dBm output power, 7mA @receive mode and -115dBm sensitivity are much better than the existing 2.4G wireless module in the market. It can be widely used in many fields. It complied with and passed ROHS certification. It complies with the FCC and ETSI certification.
| Parameter | Min. | Typ. | Max. | Unit | Conditions |
| Working Condition | |||||
| Working Voltage | 1.9 | 3.3 | 3.6 | V | |
| Working Temperature | -40 | 85 | ℃ | ||
| Current Consumption | |||||
| Rx current | 7 | mA | |||
| Tx current | 36 | mA | @10dBm | ||
| Standby current | <0.1 | uA | |||
| RF Parameters | |||||
| Frequency range | 2400 | 2483.5 | MHz | ||
| Data rate | 1.5 | 72 | Kbps | FSK | |
| Output power | -20 | 10 | dBm | ||
| Receiving sensitivity | -115 | dBm | @data=1.2kbps | ||
| Modulation | (G)FSK |
| Chip | Others |
| Frequency | 2.4GHz |
| Output Power | 10mW |
| Interface | SPI |


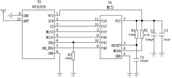
| Pin NO. | Pin name | I/O | Description |
| 1 | VCC | Connect VCC | |
| 2 | SCK | I | SPI clock input |
| 3 | SS | I | Serial interface select input pin. |
| 4 | MOSI | I | Data input for SPI interface |
| 5 | MISO | O | Data output for SPI interface |
| 6 | IRQ | O | External interrupt output |
| 7 | EN_REG | Master control chip enable signal | |
| 8 | GND | Connect GND | |
| 9 | GND | Antenna negative | |
| 10 | ANT | Connect 50ohm coaxial antenna | |
| 11 | GND | Antenna negative |

Privacy Policy
· Privacy Policy
There is currently no content available
Email:sales@nicerf.com
Tel:+86-755-23080616